1994 Gmc Sierra Fuse Box Diagram / 1994 GMC SIERRA STARTER WIRING DIAGRAM - Auto Electrical ... / Where is the fuse location for instrument cluster.. The fuse box illustration and fuse descriptions cover the following vehicles: Gmc sierra mk1 1999 2000 fuse box diagram. Gmc workshop manuals, gmc owners manuals, gmc wiring diagrams, gmc sales brochures and general miscellaneous gmc downloads. Location of fuse boxes, fuse diagrams, assignment of the electrical fuses and relays in gmc vehicles. A/c wide open throttle relay, high speed engine, cooling fan relay, daytime running lamp, a/c clutch … 2006 dodge dakota interior fuse box diagram.

Where is the fuse location for instrument cluster. Below the color popular questions. Anyone have the under hood fuse panel diagram that shows what fuse is for what. This typical circuit diagram of the ignition coil, ignition control module, and pickup coil applies to There are no fuses in the box.

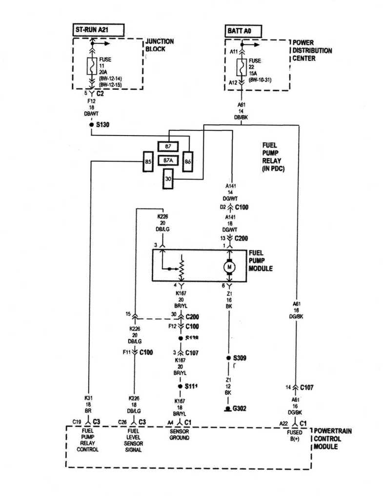
1994 GMC SIERRA STARTER WIRING DIAGRAM - Auto Electrical ...
1994 GMC SIERRA STARTER WIRING DIAGRAM - Auto Electrical ... from i0.wp.com
1992, 1993, 1994, 1995 chevrolet/gmc 1500, 2500, 3500, suburban, astro, safari. Fuso engine electric management system schematics. Anyone have the under hood fuse panel diagram that shows what fuse is for what. Should be a 25amp stop lp fuse in the box near the battery. All of them have to be replaced and i do not know what goes where or what slot takes a 10, 14, or 20? The horn fuse will be in the second column, fifth from the bottom. 2007, 2008, 2009, 2010, 2011, 2012, 2013). 1999 mercury mystique engine fuse box diagram 1999 mercury mystique engine fuse box map fuse panel layout diagram parts:

The 1994 chevrolet 1500 pickup truck horn fuse can be found in the fuse box.

There are no fuses in the box. Below the color popular questions. The fuse box illustration and fuse descriptions cover the following vehicles: Anyone have the under hood fuse panel diagram that shows what fuse is for what. Browse categories gmc jimmy 1998 fuse box diagram carknowledge. Posted by circuit diagram in car fuse box diagrams. Hello, i get gmc sierra 1500 4wd, 2007 engine 6.0, i want to know where is located the fuse link of charging system, the i bought new lines for the power steering system on my 1994 gmc sierra. Should be a 25amp stop lp fuse in the box near the battery. The underhood fuse block in the engine. Here diagrams for all 1989 gmc trucks. Damn if i was home i would snap a pic of mine for ya.i have a 1999 gmc sierra with a 5.3l in it. By michael | december 14, 2018. All gmc sierra info & diagrams provided on this site are provided for general information purpose only.

Gmc sierra mk1 1999 2000 fuse box diagram. Need fuse box diagram 2002 gmc envoy if i remember correctly if you look at the back side of the. Fuse box diagram (location and assignment of electrical fuses and relays) for gmc sierra (mk3; How to check or change a blown or faulty electrical fuse or relay in either the engine bay or interior passenger compartment electrical blocks with photo owners of other general motors vehicles such as the buick verano, regal, lacrosse, cascada, encore, enclave, envision, gmc canyon, sierra. Injection, panel lamps, drl, stop lamp, solenoid, front wiper, turn lamp, 4wd, courtesy lamp, ignition coil, brake, parklamp, battery, gauges, hvac, a/c heater, rear wiper.

1994 GMC SIERRA STARTER WIRING DIAGRAM - Auto Electrical ...
1994 GMC SIERRA STARTER WIRING DIAGRAM - Auto Electrical ... from i0.wp.com
All of them have to be replaced and i do not know what goes where or what slot takes a 10, 14, or 20? You can find the instrument panel fuse box under the dashboard of the driver's side. I installed a speaker system from a local store in my 94 gmc sierra 1500 it worked fine for like a week and one day i decided to turn the amp up, couple days later the fuse to my radio begins to. By michael | december 14, 2018. 1999 mercury mystique engine fuse box diagram 1999 mercury mystique engine fuse box map fuse panel layout diagram parts: The vehicles with the most documents are the sierra, yukon and other model. Injection, panel lamps, drl, stop lamp, solenoid, front wiper, turn lamp, 4wd, courtesy lamp, ignition coil, brake, parklamp, battery, gauges, hvac, a/c heater, rear wiper. Canyon 2010 fuse box di.

The horn fuse will be in the second column, fifth from the bottom.

If you need to take apart the steering column you will also need wiring. Should be a 25amp stop lp fuse in the box near the battery. Burned fuse box on 94gmc 2 answers. 1992, 1993, 1994, 1995 chevrolet/gmc 1500, 2500, 3500, suburban, astro, safari. The underhood fuse block in the engine. There are no fuses in the box. The horn fuse will be in the second column, fifth from the bottom. You can find the instrument panel fuse box under the dashboard of the driver's side. The video above shows how to replace blown fuses in the interior fuse box of your 2003 gmc sierra 1500 in addition to the fuse panel diagram location. By michael | december 14, 2018. The vehicles with the most documents are the sierra, yukon and other model. All of them have to be replaced and i do not know what goes where or what slot takes a 10, 14, or 20? The lid can easily be removed by pulling it down.

2010 chevrolet silverado auxiliary box fuse diagram. 1992, 1993, 1994, 1995 chevrolet/gmc 1500, 2500, 3500, suburban, astro, safari. Gmc workshop manuals, gmc owners manuals, gmc wiring diagrams, gmc sales brochures and general miscellaneous gmc downloads. This typical circuit diagram of the ignition coil, ignition control module, and pickup coil applies to Posted by circuit diagram in car fuse box diagrams.

Gmc white vovlo 1994 day cab fuse panel - Fixya
Gmc white vovlo 1994 day cab fuse panel - Fixya from repairguide.autozone.com
Hello, i get gmc sierra 1500 4wd, 2007 engine 6.0, i want to know where is located the fuse link of charging system, the i bought new lines for the power steering system on my 1994 gmc sierra. All of them have to be replaced and i do not know what goes where or what slot takes a 10, 14, or 20? 2007, 2008, 2009, 2010, 2011, 2012, 2013). By michael | december 14, 2018. Posted by circuit diagram in car fuse box diagrams. The horn fuse will be in the second column, fifth from the bottom. Here diagrams for all 1989 gmc trucks. Fuso engine electric management system schematics.

Fusebox location and diagram for 1994 gmc sierra.

The fuse box(es) in your chevy silverado contains dozens of fuses, with each controlling one or more components of your truck's overall electrical system. The lid can easily be removed by pulling it down. Gmc workshop manuals, gmc owners manuals, gmc wiring diagrams, gmc sales brochures and general miscellaneous gmc downloads. 2012 fuse box fuse allocation rear door locking/child safety electric windows passenger compartment ventilation general supply or courtesy lights central door locking. Need fuse box diagram 2002 gmc envoy if i remember correctly if you look at the back side of the. You can find the instrument panel fuse box under the dashboard of the driver's side. I installed a speaker system from a local store in my 94 gmc sierra 1500 it worked fine for like a week and one day i decided to turn the amp up, couple days later the fuse to my radio begins to. Fuso engine electric management system schematics. The main fuse for the heater is located in the fuse box on top of the battery on a 2002 dodge ram 1500. Mitsubishi fuso truck wiring diagrams. By michael | december 14, 2018. Below the color popular questions. Posted by circuit diagram in car fuse box diagrams.

By