1998 Chevy Lumina Fuse Box Diagram - 97 Lumina Starter Wiring Diagram - Wiring Diagram - I need to get the window until i get a switch.… read more.. Chevrolet silverado fuse box diagram. Skateboard wheels as hardware for nazareth's drawers? Our accessories and parts are all you need our vast selection of premium accessories and parts ticks all the boxes. I assume that was the question if luminas come with a/c. Not sure what model that one's for.

My 1998 chevy lumina has air conditioning. Tried replacing it, wont start. Quality is at the heart of everything we do at carid, so whatever your. Chevy cavalier 1998 fuse box diagram my dash lights and tail lights are blown probably because of a loose headlights switch i need to know what the where can i get a pin out diagram for a 1998 chevy lumina drive side window control switch. Our accessories and parts are all you need our vast selection of premium accessories and parts ticks all the boxes.

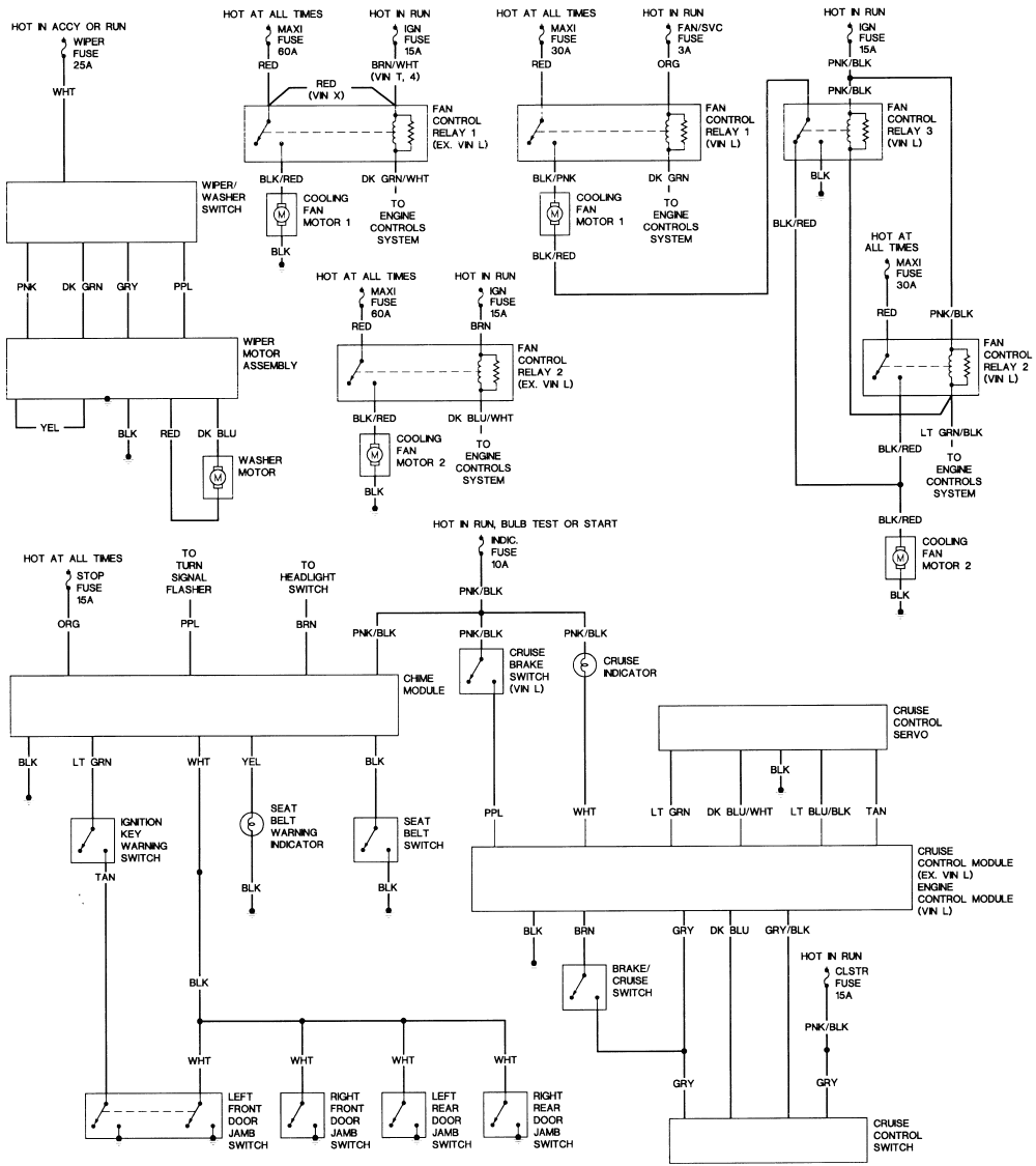
82206958 Wiring Harnes Diagram - Wiring Diagram Networks
82206958 Wiring Harnes Diagram - Wiring Diagram Networks from i1.wp.com
I have a 1998 chevy lumina. All chevrolet silverado i info & diagrams provided on this site are provided for general information purpose only. I have been having a problem with a parasitic drain. Take care of your 1998 chevy lumina and you'll be rewarded with years of great looks and performance. Stop lamps, windshield wiper, hazard lamp, 3rd brake light, headlamps, tail lamps, parking lamps, side marker lamps, instrument cluster illumination lamps, license plate lights, turn signal. Can a 1992 chevy lumina be towed? My truck is a 1998 chevy c3500 5.7l again thanks!!! There is a little bank that has 5 fuses in a little black box together.

All chevrolet silverado i info & diagrams provided on this site are provided for general information purpose only.

1999 chevrolet lumina sir system airbag circuit diagram 104 kb. Show diagram of 1998 jeep wrangler fuse box. Heavy duty cooling package, maxifuse, primary cooling fan, power, air pump relay, a/c comp … 1990 buick regal 3700 blower motor fuse. All chevrolet silverado i info & diagrams provided on this site are provided for general information purpose only. Underhood colling fan fuse block. Relay fuse on passenger side under hood clicks. This image shows the under dash fuse box layout for a 1987 to 1993 ford mustang. 2000 chevrolet malibu cooling fan circuit 28 kb. Fuse box diagram (location and assignment of electrical fuses and relays) for chevrolet (chevy) avalanche (gmt800; Fuse box in passenger compartment. 2009 avalanche auxiliary fuse box diagram. Chevrolet chevy ii nova electrical wiring diagram 254 kb. Chevrolet or chevy is one of the favourite car brands in the market.

Hvac — hvac control assembly solenoid box, mix motor, drl module, hvac control head, defogger relay, (s.e.o.) digital speedometer. Skateboard wheels as hardware for nazareth's drawers? The figures below are a few common fuse box diagrams, and what each fuse controls Be sure to consult your owner's manual or the diagrams on the underside of the fuse box lids for exact fuse locations. Fuse box diagrams a blown fuse can be a pain to find without the proper diagram.

I have a 1998 Chevy Lumina 3.1 V6 has engine light on and ...
I have a 1998 Chevy Lumina 3.1 V6 has engine light on and ... from ww2.justanswer.com
It's important to know where the fuse box or panel in your jeep. All chevrolet silverado i info & diagrams provided on this site are provided for general information purpose only. Can a 1992 chevy lumina be towed? Chevrolet or chevy is one of the favourite car brands in the market. Chevrolet silverado fuse box diagram. There is a little bank that has 5 fuses in a little black box together. The figures below are a few common fuse box diagrams, and what each fuse controls 2001, 2002, 2003, 2004, 2005, 2006).

Can a 1992 chevy lumina be towed?

1998 chevrolet lumina ls sedan fwd. My truck is a 1998 chevy c3500 5.7l again thanks!!! Hvac — hvac control assembly solenoid box, mix motor, drl module, hvac control head, defogger relay, (s.e.o.) digital speedometer. Yeah, i was able to find that diagram too on the web. 2001, 2002, 2003, 2004, 2005, 2006). The figures below are a few common fuse box diagrams, and what each fuse controls I need to get the window until i get a switch.… read more. Most vehicles have a little diagram telling you what fuse does what under the lid for the fuse box in the engine. Underhood colling fan fuse block. 2008, 2009 passenger compartment fuse panel the fuse panel is located under the instrument panel to the. This image shows the under dash fuse box layout for a 1987 to 1993 ford mustang. Fuse box diagram trekkerjmm the fuse box acts as an important control panel for your jeep in many ways. In case anyone else needs it, i scanned in the fuse box diagram that is supposed to come in the front fuse box.

Be sure to consult your owner's manual or the diagrams on the underside of the fuse box lids for exact fuse locations. Show diagram of 1998 jeep wrangler fuse box. My truck is a 1998 chevy c3500 5.7l again thanks!!! 1998 chevrolet lumina ls sedan fwd. Fuse box in passenger compartment.

I have a 1998 Chevy Lumina 3.1 V6 has engine light on and ...
I have a 1998 Chevy Lumina 3.1 V6 has engine light on and ... from ww2.justanswer.com
If your windshield wipers, air conditioner, or similar electronic device stops functioning pontiac firebird fuse box diagram fuse box diagram if your pontiac firebird has an electrical problem, your fuse this article applies to the pontiac firebird and chevy camaro. So, i searched and searched for an e93 fuse box photo, and found it on ebay seller who is selling theirs. 2009 avalanche auxiliary fuse box diagram. 1998 chevrolet lumina ls sedan fwd. Battery would discharge in about 5 minutes. My fuse block is different from this one.wont work for me. Take care of your 1998 chevy lumina and you'll be rewarded with years of great looks and performance. Stop lamps, windshield wiper, hazard lamp, 3rd brake light, headlamps, tail lamps, parking lamps, side marker lamps, instrument cluster illumination lamps, license plate lights, turn signal.

Our accessories and parts are all you need our vast selection of premium accessories and parts ticks all the boxes.

I have been having a problem with a parasitic drain. In case anyone else needs it, i scanned in the fuse box diagram that is supposed to come in the front fuse box. Stop lamps, windshield wiper, hazard lamp, 3rd brake light, headlamps, tail lamps, parking lamps, side marker lamps, instrument cluster illumination lamps, license plate lights, turn signal. Fuse box diagram (location and assignment of electrical fuses and relays) for chevrolet (chevy) avalanche (gmt800; Quality is at the heart of everything we do at carid, so whatever your. 1998 chevrolet lumina ls sedan fwd. Heavy duty cooling package, maxifuse, primary cooling fan, power, air pump relay, a/c comp … 1990 buick regal 3700 blower motor fuse. I need to get the window until i get a switch.… read more. Most vehicles have a little diagram telling you what fuse does what under the lid for the fuse box in the engine. All chevrolet silverado i info & diagrams provided on this site are provided for general information purpose only. Chevrolet chevy ii nova electrical wiring diagram 254 kb. Take care of your 1998 chevy lumina and you'll be rewarded with years of great looks and performance. My 1998 chevy lumina has air conditioning.

By