2001 Chrysler Sebring Lxi Engine Diagram / MR552720 - Chrysler Filter. Fuel vapor canister. [lx ... / Power distribution center is located in the engine compartment;. For a detailed interior and exterior fuse diagram visit. 26.03.2007 · the 2001 chrysler sebring has 10 problems reported for heater/ac not working properly. Physically remove the fuse and check the it. Verify that there is good wire to terminal connection in the connector. 2001 chrysler sebring lx sedanlx sedan.

Your chrysler sebring is an automobile designed for maximum performance and it requires premium quality auto parts. A failing chrysler sebring map sensor can reduce the car or truck's engine capability. Apr 15, 2015 | 2001 chrysler sebring. Ensure that there is no terminal damage, corrosion or backed out terminals. Check the 40 amp fuse that feeds the air injection pump before continuing.

I have a 2001 Chrysler Sebring LXi convertible. The only ...
I have a 2001 Chrysler Sebring LXi convertible. The only ... from ww2.justanswer.com
Posted by james on dec 20, 2011. Average repair cost is $200 at 114,100 miles. Evidence that the big buyout is paying at least some dividends. Каталоги автозапчасти легковые автомобили chrysler sebring седан ii 2.4. Check the 40 amp fuse that feeds the air injection pump before continuing. Chrysler sebring 2001, remanufactured engine by tri star®. Power distribution center is located in the engine compartment; Compare 7 sebring trims and trim families below to see the differences in prices and features.

Power distribution center is located in the engine compartment;

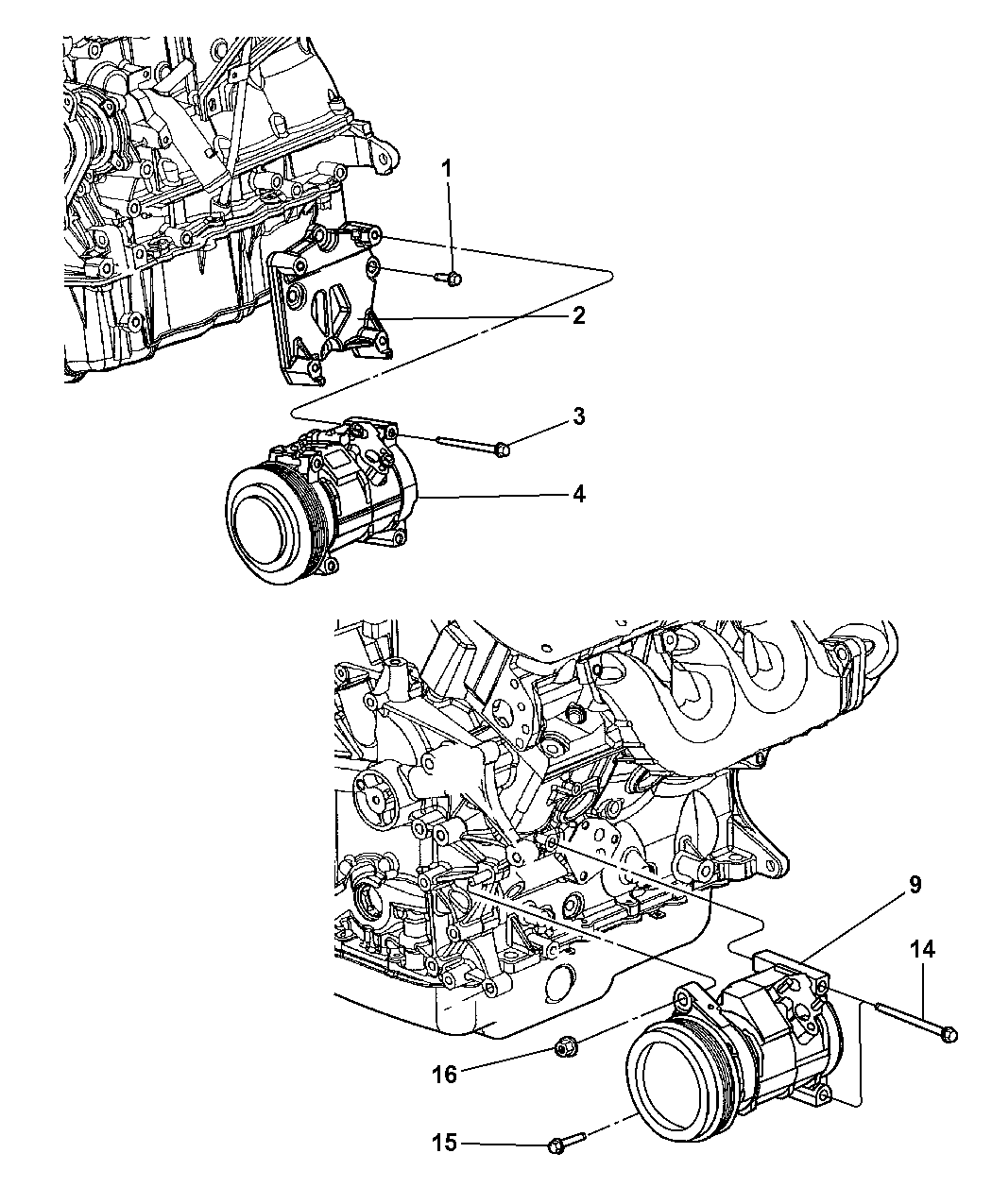
The engine revs with a subdued and smart snarl, but it's saddled with too much weight. Belt routing diagram for 2001 chrysler sebring lxi 3.0engine. Page 1 we lcome 2005 jr se bring/stratus se dan and se bring conve rtible te chnical publications click on the icon for the de sire d manual service manual powertrain body. Vexa writes these were made when chrysler's 2.7 v6 was new, and they made some mistakes in the engine design that caused them to sludge up. Apr 15, 2015 | 2001 chrysler sebring. 2001, 2002, 2003, 2004, 2005, 2006. Verify that there is good wire to terminal connection in the connector. Chrysler sebring 2001, remanufactured engine by tri star®. The service manual has detailed illustrations, diagrams, wiring schematics and… Compare 2001 chrysler sebring different trims: Каталоги автозапчасти легковые автомобили chrysler sebring седан ii 2.4. 2001 chrysler sebring lx sedanlx sedan. The car is named after the famous racing circuit of sebring, florida, where takes place every year an endurance race, the 12 hours of sebring.

Vexa writes these were made when chrysler's 2.7 v6 was new, and they made some mistakes in the engine design that caused them to sludge up. Seals protect against heat and leaksconnecting rods are honed to ensure. Summary of contents for chrysler sebring 2005. Fuse box diagram (location and assignment of electrical fuses) for chrysler sebring (js: Verify that there is good wire to terminal connection in the connector.

Chrysler Sebring 6-cyl 2004 Fuse Box/Block Circuit Breaker ...
Chrysler Sebring 6-cyl 2004 Fuse Box/Block Circuit Breaker ... from www.carfusebox.com
For a detailed interior and exterior fuse diagram visit. The identity of each fuse is indicated on the backside of the cover. Check the 40 amp fuse that feeds the air injection pump before continuing. 2001 sebring specs (horsepower, torque, engine size, wheelbase), mpg and pricing by trim level. Power distribution center is located in the engine compartment; Ensure that there is no terminal damage, corrosion or backed out terminals. Average repair cost is $200 at 114,100 miles. 2001 chrysler sebring lim 2 door convertible front and rear tires p205/60r16 2001 chrysler sebring lx 2 door convertible front and rear tires.

Evidence that the big buyout is paying at least some dividends.

Compare 2001 chrysler sebring different trims: 2001 sebring lxi 4 dr sedan v6 automatic. Physically remove the fuse and check the it. Read 24 candid owner reviews for the 2001 chrysler sebring. This is the complete factory service manual for your 2006 chrysler sebring/stratus sedan sebring convertible. Summary of contents for chrysler sebring 2005. 26.03.2007 · the 2001 chrysler sebring has 10 problems reported for heater/ac not working properly. Chrysler sebring 2001, remanufactured engine by tri star®. Underhood fuses (power distribution center). Vexa writes these were made when chrysler's 2.7 v6 was new, and they made some mistakes in the engine design that caused them to sludge up. Apr 15, 2015 | 2001 chrysler sebring. Electric equipment of chrysler neon, dodge. Каталоги автозапчасти легковые автомобили chrysler sebring седан ii 2.4.

The car is named after the famous racing circuit of sebring, florida, where takes place every year an endurance race, the 12 hours of sebring. Рестайлинг, открытый кузов, 2 поколение, jr. Chrysler sebring 2001, remanufactured engine by tri star®. Power distribution center is located in the engine compartment; All tri star stock replacement engines are remanufactured with the highest quality control levels.

2004 Sebring 2 7 Engine Diagram - Cars Wiring Diagram
2004 Sebring 2 7 Engine Diagram - Cars Wiring Diagram from image.slidesharecdn.com
This is the complete factory service manual for your 2006 chrysler sebring/stratus sedan sebring convertible. The car is named after the famous racing circuit of sebring, florida, where takes place every year an endurance race, the 12 hours of sebring. These engines were loosely based on their predecessors, the chrysler 2.2 & 2.5 engine, sharing the same 87.5 mm (3.44 in) bore. Compare 7 sebring trims and trim families below to see the differences in prices and features. Your chrysler sebring is an automobile designed for maximum performance and it requires premium quality auto parts. Summary of contents for chrysler sebring 2005. Compare 2001 chrysler sebring different trims: Power distribution center is located in the engine compartment;

Compare 2001 chrysler sebring different trims:

This is the complete factory service manual for your 2006 chrysler sebring/stratus sedan sebring convertible. Physically remove the fuse and check the it. Compare 2001 chrysler sebring different trims: Electric equipment of chrysler neon, dodge. Рестайлинг, открытый кузов, 2 поколение, jr. Verify that there is good wire to terminal connection in the connector. Underhood fuses (power distribution center). The identity of each fuse is indicated on the backside of the cover. The original manual for repair the chrysler sebring vehicle for all engine sizes and models. The engine revs with a subdued and smart snarl, but it's saddled with too much weight. The service manual has detailed illustrations, diagrams, wiring schematics and… Ignition on, engine not running. All specifications meet or exceed standards set by oe and engine.

By