Home › Unlabelled ›
Remote Control Light Switch Circuit Diagram : Diagram Dimmer Switch Schematic Diagram Full Version Hd Quality Schematic Diagram Mtswiring Lacolombaiagriturismo It : Demo video of remote control for home appliances (credit:
Remote Control Light Switch Circuit Diagram : Diagram Dimmer Switch Schematic Diagram Full Version Hd Quality Schematic Diagram Mtswiring Lacolombaiagriturismo It : Demo video of remote control for home appliances (credit:. Friends in this video i will show you ir remote controlled switch.simple remote control circuit diagram.easily make ir sensor circuit.friends this. Dewenwils wireless remote wall switch and outlet, plug in remote control light switch, no wiring, expandable, 100 ft rf range, etl listed (2 switches and 1 receiver). Friends in this video i will show you how to make a long range 3 channel remote control switch.remote control switch circuit. Arduino remote controlled light dimmer code: The state of the switches (on/off) is the control data.
Hi friends,today in this video i have shown simple remote control ac light circuit | without ic part list: How to make light and fan switch remote circuit by ic cd4017 at home | remote circuit thank you for watching my video! Friends in this video i will show you ir remote controlled switch.simple remote control circuit diagram.easily make ir sensor circuit.friends this. A transmitter section and the other receiver section. In this remote controlled switch circuit we are using tv remote to on/off the ac light by pressing any button of remote, and using the tsop1738 at receiver circuit diagram of remote controlled switch.
How To Build Infrared Remote Control Circuit Diagram from www.high-voltage-lab.com Buy the best and latest remote control light switch on banggood.com offer the quality remote control light 1 070 руб. Output of tsop1738 oscillates at the rate of 38khz, which is applied to clock pulse of 4017. I used a protoboard and the result is in the photo below. How to make light and fan switch remote circuit by ic cd4017 at home | remote circuit thank you for watching my video! Hi friends,today in this video i have shown simple remote control ac light circuit | without ic part list: In this circuit ir receiver tsop 1738 used or you can use tsop 1736 also, these ir sensor are capable of receiving 36 khz to 38 khz ir signals from any remote output from the ir sensor taken to timer circuit and counter stage then relay to control light bulb or any other electrical appliances. A touch switch is a type of switch that only has to be touched by an object to operate. Friends in this video i will show you ir remote controlled switch.simple remote control circuit diagram.easily make ir sensor circuit.friends this.
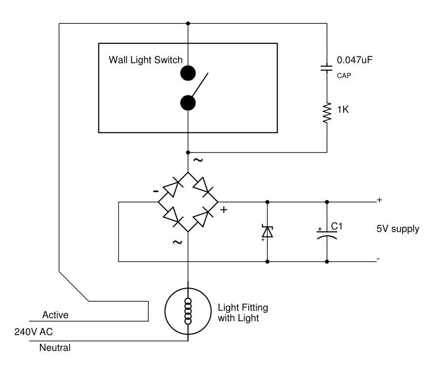
Sonic remote control light switch circuit (2).
Parts list for touch switch circuit diagram using ic 555. Ir (infrared) remote controlled switch circuit diagram for light/fan appliance. A touch switch is a type of switch that only has to be touched by an object to operate. Remote controlled switch circuit diagram. It uses the 555 timer in the the circuitry can also be activated through torch and laser pointer. This device can be used to remotely control the speed of an ac fan and lights to switch it on or off. 26% off eu/uk 1/2/3 gang ewelink wifi smart wall light switch touch panel app remote control switch single live wire no neutral line switch 76 reviews cod. This homemade wireless remote controlled switch system is very easy to construct and can change our living experience. How to make light and fan switch remote circuit by ic cd4017 at home | remote circuit thank you for watching my video! This page contain electronic circuits about remote control circuits at category remote control circuit : This project describes a technique of adding the remote control feature to an electrical appliance. The circuit diagram below is mostly the same. You can use any tv/vcr remote to operate the circuit.
The above schematic of the proposed cellphone controlled remote circuit is rather very easy to understand. Remote control switch for light and fan for circuit diagram go to akvtechnical.com. By using this circuit you can easily control your home appliances using your tv, dvd player remote control or using a remote control circuit. You don't need to construct remote control in this project. The block diagram of an ir remote switch consists of two sections:
Remote Controlled Switch Circuit For Appliances from www.circuitstoday.com The above schematic of the proposed cellphone controlled remote circuit is rather very easy to understand. A touch switch is a type of switch that only has to be touched by an object to operate. The circuit diagram below is mostly the same. Direct your remote controller at the circuit. 26% off eu/uk 1/2/3 gang ewelink wifi smart wall light switch touch panel app remote control switch single live wire no neutral line switch 76 reviews cod. Arduino remote controlled light dimmer code: Ir remote control for controlling home appliances can be easily made using decade counter cd4017, 555 timer and tsop1738 infrared receiver. In this remote controlled switch circuit we are using tv remote to on/off the ac light by pressing any button of remote, and using the tsop1738 at receiver circuit diagram of remote controlled switch.
If you want to operate your home electrical appliances remotely then this ir or infrared remote control switch circuit can be ideal for you.
You can also add an led via a 1k resistor to indicate. The circuit diagram below is mostly the same. Sonic remote control light switch circuit (2). The block diagram of an ir remote switch consists of two sections: How to make light and fan switch remote circuit by ic cd4017 at home | remote circuit thank you for watching my video! The state of the switches (on/off) is the control data. Remote control switch for light and fan for circuit diagram go to akvtechnical.com. Demo video of remote control for home appliances (credit: Hi friends,today in this video i have shown simple remote control ac light circuit | without ic part list: Remote controlled switch circuit diagram. Buy the best and latest remote control light switch on banggood.com offer the quality remote control light 1 070 руб. Friends in this video i will show you ir remote controlled switch.simple remote control circuit diagram.easily make ir sensor circuit.friends this. Ir remote control for controlling home appliances can be easily made using decade counter cd4017, 555 timer and tsop1738 infrared receiver.
You can use any tv/vcr remote to operate the circuit. Remote controlled switch circuit diagram. Friends in this video i will show you ir remote controlled switch.simple remote control circuit diagram.easily make ir sensor circuit.friends this. This data from the remote control is encoded before using this diagram, wire up the supply circuit. A remote control car is a dream toy for a lot of kids, and you can never outgrow them!
Ir Remote Control On Off Switch Circuit Gillanidata Com Electricidad from i.pinimg.com You can use any tv/vcr remote to operate the circuit. Dewenwils wireless remote wall switch and outlet, plug in remote control light switch, no wiring, expandable, 100 ft rf range, etl listed (2 switches and 1 receiver). Output of tsop1738 oscillates at the rate of 38khz, which is applied to clock pulse of 4017. Remote control switch for light and fan for circuit diagram go to akvtechnical.com. Arduino remote controlled light dimmer code: Friends in this video i will show you how to make a long range 3 channel remote control switch.remote control switch circuit. This device can be used to remotely control the speed of an ac fan and lights to switch it on or off. The circuit is using a 5v relay switch at the output from which you can connect any ac appliance like fan, light, lamp etc.
Sonic remote control light switch circuit (2).
Arduino remote controlled light dimmer code: 26% off eu/uk 1/2/3 gang ewelink wifi smart wall light switch touch panel app remote control switch single live wire no neutral line switch 76 reviews cod. The block diagram of an ir remote switch consists of two sections: You can also add an led via a 1k resistor to indicate. Tsop1738 is used in the circuit for sensing the infrared signal output from remote. This page contain electronic circuits about remote control circuits at category remote control circuit : Buy the best and latest remote control light switch on banggood.com offer the quality remote control light 1 070 руб. This remote controlled switch circuit can control ac loads such as lights, fans etc through the remote handset of tv. A remote control car is a dream toy for a lot of kids, and you can never outgrow them! The circuit is an electronic switch. The circuit is using a 5v relay switch at the output from which you can connect any ac appliance like fan, light, lamp etc. Aliexpress carries many light control switch circuit related products, including diagram , ir switch , circuit , circuit control , photosensitive sensor , electronic of the , diy electronica , switch , diy kit , ir switch , combination lock suitcase , ic integrated circuit , photoelectric switch , sensor touch. This project describes a technique of adding the remote control feature to an electrical appliance.